Offline
مع هذا التطبيق ، يمكنك حساب عمليات الترانزستور الأساسية.
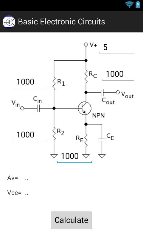
مع هذا التطبيق ، يمكنك حساب عمليات الترانزستور الأساسية.
كتطبيق إلكتروني ، يوفر ،
دائرة الترانزستور القاعدة المشتركة ،
دائرة ترانزستور جامع مشترك ،
دائرة ترانزستور الصرف الشائعة ،
دائرة الترانزستور البوابة المشتركة ،
دائرة الترانزستور المصدر المشترك ،
حسابات كسب جهد الإخراج/الإدخال (AV)
والجهد بين دبابيس الإخراج.
وشملت الترانزستورات MOSFET و BJT.
احصل على Primogems المجانية ، MORA ، التجربة ، وأكثر من ذلك مع رموز تأثير Genshin في نوفمبر 2024 ، 5.1 رموز Livestream ، ومعرفة كيفية استرداد الرموز النشطة.
إذا كنت تشعر بالملل من لعب إصدار الفانيليا من Refaphor Refantazio ، فيمكنك التحقق من هذه التعديلات الخمسة.
تكافح مع تقديمياتك لحدث Hununt Roblox في عام 2024؟ تحقق من دليلنا على استخدام اللباس لإقناع لإنشاء التقاطات!
تجولنا في Dragon Age: The Veilguard مع بعض النصائح والحيل المفيدة ، مع أدلة للألغاز والرؤساء والرفقة والمعدات والرومانسية والمزيد!
هل تبحث عن بعض موارد المكافآت في بحر الفتح: حرب القراصنة؟ لقد قمنا بتغطية هذه الرموز لأحدث الهدايا المجانية للبحر.
يمكنك بسهولة تنزيل الإصدار الأحدث من Basic Electronic Circuits Calc! على موقعنا الإلكتروني. لا حاجة للتسجيل أو إرسال رسائل نصية قصيرة!